DN6.65x-48通道16bit 125MS/s回放速率
• 20、32、40、48通道,40MS/s-125MS/s回放速率
• 所有通道同步
• 输出信号带宽到70MHz
• 50Ω时,输出电平±3.0 V(高阻时±6V)
• 固定的触发输出延时
• 高达128MB内存/通道
• FIFO模式持续回放数据
• 模式:单点、循环、FIFO、分段回放、门回放等
DN6.65x系列产品简述
通用型以太网任意波形发生器(Ethernet-AWG)DN6.65x系列支持最多 48 路并行通道上生成任意信号。该仪器在分辨率与信号质量两方面,均具备卓越的数模转换(D/A)性能,具备高采样率与高分辨率的双重优势,特别适合多通道高精度信号生产的应用。该仪器可部署在局域网(LAN)内的任意位置,并能通过上位机(主机)进行远程操控。
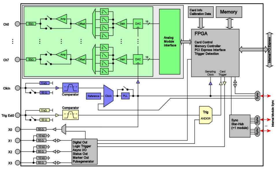
硬件框图


部分测试数据

选型
型号 | 精度 | 输出通道/回放速率 | 内存 |
DN6.653-24 | 16bit | 24通道 40MS/s | 3x512 MSamples |
DN6.653-32 | 16bit | 32通道 40MS/s | 4x512 MSamples |
DN6.653-40 | 16bit | 40通道 40MS/s | 5x512 MSamples |
DN6.653-48 | 16bit | 48通道 40MS/s | 6x512 MSamples |
DN6.656-24 | 16bit | 12通道 125MS/s 24通道 80MS/s | 3x512 MSamples |
DN6.656-32 | 16bit | 16通道 125MS/s 32通道 80MS/s | 4x512 MSamples |
DN6.656-40 | 16bit | 20通道 125MS/s 40通道 80MS/s | 5x512 MSamples |
DN6.656-48 | 16bit | 24通道 125MS/s 48通道 80MS/s | 6x512 MSamples |